Емкости для СУГ (газгольдеры). Резервуары СУГ
1,6 МПа
до 9 баллов
ООО "НПО "Спецнефтемаш"
Типоразмеры в наличии:
Что такое газгольдеры ?
Газгольдеры для сжиженных углеводородных газов (СУГ) – это емкость, которая способна работать при высоком внутреннем давлении.
К сжиженным углеводородным газам относят пропан, бутан и их смесь. А также в таких резервуарах иногда хранят другие сжиженые газы с меньшей упругостью паров.
Назначение емкостей для СУГ
Емкости для СУГ предназначены для приема, хранения и выдачи сжиженных углеводородных газов. Такие смеси необходимо хранить при высоком давлении и сниженной температуре, что обуславливает особенности конструкции газгольдеров.
Материалы изготовления емкостей для СУГ должны выдерживать высокое внутренне давление (предельное значение 1.8 Мпа). Объемы зависят от их назначения и могут быть разнообразными.
Требования к газовым емкостям
Требования к емкостям СУГ сводятся в основном к особенностям конструкции:
- Диаметр люков обслуживания должен быть более 40 см.;
- Сосуд должен полностью высвобождать содержимое;
- В конструкцию сосуда обязательно включаются термометр, манометр, предохранительные клапан и уровнемер.
Технические характеристики газгольдеров ООО "НПО "Спецнефтемаш"
- Объем: от 1 до 100 м3;
- Температура рабочей среды: от -60 до +50 градусов Цельсия;
- Давление рабочей среды не более 1.6 Мпа;
- Окружающая температура не менее – 60 градусов Цельсия;
- Используемый материал: сталь 09Г2С, 12Х18Н10Т;
- Днище сосуда – эллиптическое;
- Максимальный объем заполнения жидким веществом – 85%.
- При соблюдении всех требований срок службы аппарата 20 лет, а при грамотном обслуживании – до 50 лет.
Емкостные аппараты изготавливаются в соответствии с ТУ 3615-001-24009276-2015.
Материальное исполнение
Материальное исполнение аппарата зависит от эксплуатационных условий.
- Исполнение 1. Если температура окружающей среды от -30 до +50 градусов Цельсия, то используется сталь 09Г2С-6.
- Исполнение 2. Если температура окружающей среды от -60 до +50 градусов Цельсия, то используется сталь 09Г2С-8.
Классификация газгольдеров для хранения СУГ
Газгольдеры различаются в зависимости от давления, по конструктивным особенностям, по ориентации, по размещению.
Аппараты в зависимости от давления делятся на емкости:
- низкого давления для газов с давление менее 5 Кпа;
- высокого давления для газов с давление до 1.8 Мпа.
Резервуары по конструктивным особенностям делятся на:
- сосуды с одной стенкой;
- сосуды с двумя стенками, где одна находится под внутренним давлением, а другая защищает от внешнего воздействия, т.е. один сосуд внутри другого.
По надежности лучше двустенные сосуды, но их недостаток в том, что они много весят. Это создает проблемы при сборке и транспортировке. Пространство между стенками заполняет инертный газ, что повышает защиту от взрыва. При изготовлении двустенного газгольдера важны качество и прочность как внутренней, так и внешней стенок.
Аппараты по ориентации в пространстве делятся на горизонтальные и вертикальные. Горизонтальные резервуары СУГ проще в монтаже и не требуют дополнительных установок. Кроме того, в зависимости от заполнения горизонтальной емкости снижается или повышается площадь испарения газов.
Виды резервуаров СУГ по способу размещения: надземные и подземные емкости для газа.
Надземные резервуары для СУГ
Надземные резервуары для СУГ в России не пользуются большим спросом, но часто могут облегчить решение многих задач. Такие емкости могут использоваться для хранения жидкой фазы на строительных площадках во время газификации.
Надземные емкости СУГ подвергаются пескоструйной обработке SA 2,5, а потом наносят защитное покрытие. Для защиты от солнца сверху сосуд красят светлой краской.
Преимущества надземных газгольдеров:
- более дешевый монтаж из-за отсутствия земляных работ;
- при объеме емкости до 600 л, расстояние до ближайших строений не нормируется по правилам пожарной безопасности;
- можно свободно провести профилактические работы и осмотреть резервуар;
- легко можно переместить на другое место.
Недостатки надземных газгольдеров:
- в холодное время года процесс преобразования вещества из жидкого в газообразное (регазификация) не эффективен;
- при объеме более 600 л, пожарные требования к размещению по отношению к ближайшим строениям, очень жесткие – в 1.5-2 раза.
Поскольку основной недостаток – это недостаточная регазификация, то в условиях российской погоды, область использования надземных резервуаров сильно сокращается. Как выход из ситуации, можно применять испаритель, но он потребует дополнительных затрат электроэнергии, а это повысит цену аппарата. Но при этом газовое оборудование сможет работать стабильно и надежно.
Самая распространенная сфера применения надземных газгольдеров в Кургане – автогазозаправочные станции. В данном случае недостаток регазификации отпадает, поскольку продукт потребления – жидкая фаза.
Подземные резервуары для СУГ (подземные емкости для газа)
Подземные резервуары для газа – это резервуар с горловиной и установленными на ней клапанами: предохранительного, предельного наполнения, комплектного углового.
Чтобы защитить подземную емкость для газа от коррозии, сверху его покрывают защитной эмалью или составом из полимера.
Данный тип аппарата устанавливается в земле. Обычно это вертикальный сосуд, который помещается в котлован ниже точки промерзания на бетонную плиту. Бетонная плита нужна для того, чтобы обеспечить стабильное положение резервуара при движении грунтовых вод или грунта во время морозов. Котлован с резервуаром засыпается песком.
Подземные резервуары для газа более надежны, чем надземные и более безопасные. При постоянных профилактических работах подземный газгольдер, или подземная емкость для газа, может прослужить до 15 лет.
Преимущества газгольдеров производства ООО "НПО "Спецнефтемаш"
При производстве цистерны СУГ используются следующие элементы:
- большая толщина стали (8 мм), которая позволяет выдержать высокое давление при различных температурных режимах. Это помогает продлить срок использование аппарата и защитить от перепада температур. Кроме того, при просадке и движении грунта, толстая стенка защитит резервуар от деформации;
- высокая горловина (80 см), которая служит для заглубления газгольдера ниже точки промерзания грунта. Эффективна в эксплуатации в северных областях страны;
- стандартные газгольдеры изготавливаются со специальными опорами для посадки на железобетонную плиту. Также аппарат имеет усиленный тип двухслойной изоляции.
Область применения емкостей для хранения СУГ
Основные сферы использования емкостей для сжиженных углеводородных газов – это системы промышленного газоснабжения, газонаполнительные и газозаправочные станции.
Резервуар для СУГ применяется на системах автономного снабжения газовым топливом, в которые входят резервуар, запорная арматура и регуляторы, нормирующие давление, испаритель.
Оборудование также применяется на станциях и пунктах газонаполнения, в состав которых входят: комплекс газовых резервуаров, насосно-компрессорный участок и отделение по заполнению баллонов.
Также газгольдеры СУГ в Кургане используются на станциях газозаправки, состоящие из резервуара, насосов, запорной арматуры и колонок для раздачи топлива.
Емкости для СУГ (газгольдеры) до 5 м3
Емкости для СУГ объемом до 5 м3 очень популярны у частных домовладельцев. Они используются для отопительных систем и в водоснабжении. Этого объема вполне хватает для обслуживания дома площадью до 140 м2.
Кроме того, газгольдеры до 5 м3 не контролируются Ростехнадзором, что очень удобно для частных лиц.
Требования к сейсмичности площадки строительства
Благодаря передовым технологиям производства, резервуарное и емкостное оборудование ООО НПО "Спецнефтемаш" способно выдерживать сейсмические воздействия вплоть до 9 баллов по шкале MSK-64. Проведенные в сентябре 2017 года испытания подтвердили это на практике, в результате чего был получен Сертификат Соответствия требованиям нормативных документов ГОСТ 30546.1-98, ГОСТ 30546.2-98, ГОСТ 30546.3-98.
Таким образом, если вам необходимо качественное резервуарное или емкостное оборудование при строительстве объектов нефте-газовой промышленности в сейсмически активных районах, ООО НПО "СпецНефтеМаш" готов удовлетворить ваш спрос.
Комплектация стандартного газгольдера
Газгольдер для СУГ обычно состоит из резервуара, запорной арматуры и кожуха.
Резервуар для газа – это цилиндрический сосуд с завышеной горловиной, имеющий опоры для установки на бетонное основание и двойной слой гидроизоляции.
Запорная арматура состоит из:
- двухступенчатого редуктора,
- его клапана,
- индикатора заполнения,
- манометра,
- крана отбора,
- уровнемера
- и клапанов – заправочного и предохранительного.
Кожух должен быть оцинкованным вместе с крышкой для защиты от коррозии. Его толщина не менее 4 мм для защиты внутренних приборов от внешних угроз.
Емкости для АГЗС
Емкости для автогазозаправочных станций (АГЗС) используются только с подземным размещением и с усиленной гидроизоляцией. Обычно такие емкости поставляются без приборов, но со штуцерами, расположение которых может меняться в зависимости от требований клиента. Возможна поставка полностью оборудованных емкостей.
Доставка емкостей для СУГ и прочего оборудования для АГЗС по России, в частности в Курганскую область, осуществляется железнодорожным или автомобильным транспортом. Срок изготовления одного резервуара от 45 дней.
Производство газгольдеров (ёмкостей для СУГ) в Кургане
От качества изготовления газовых резервуаров зависит безопасность объекта, а это значит, что производство должно быть основано на строгом соблюдении государственных нормативов и последующему контролю качества.
Компания ООО "НПО "Спецнефтемаш" производит газгольдеры для СУГ высокого качества, соблюдая все государственные технические нормы. Предприятие оснащено многоуровневой системой качества и автоматизированными производственными линиями, что положительно влияет на точность производства.
Завод использует сталь высокого качества при производстве аппаратов. Сначала из листовой стали делают цилиндр, затем швы завариваются и привариваются днища и остальные элементы. Прежде чем отправиться к заказчику, оборудование проходит несколько этапов обработки и контроля, в том числе тесты на герметичность и давление. Поэтому ООО "НПО "Спецнефтемаш" может гарантировать высокое качество произведенного оборудования.
Как заказать
Купить резервуары СУГ в Кургане можно у ООО "НПО "Спецнефтемаш" – непосредственного производителя. Наша компания гарантирует качество оборудования и, кроме того, не нужно переплачивать посредникам. Мы также занимаемся разработкой технической документации на емкости для СУГ.
Емкостное оборудование, произведенное в компании пользуется популярностью и стабильным спросом на всей территории России и стран СНГ. А поскольку компания заинтересована в построении долгосрочных отношений с каждым клиентом, то можем предложить оборудование по привлекательным ценам и на выгодных условиях. Узнать стоимость и условия продажи вы можете у менеджеров компании.
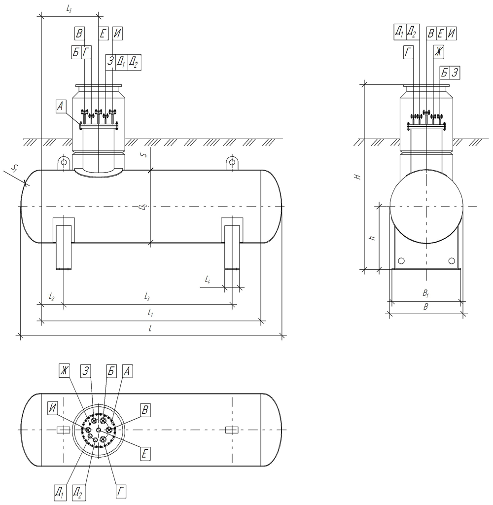
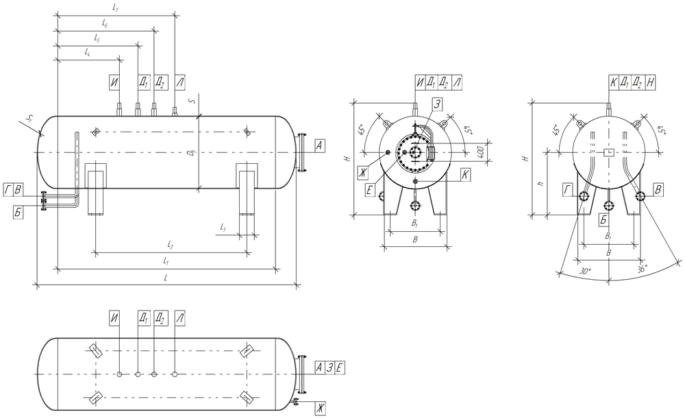
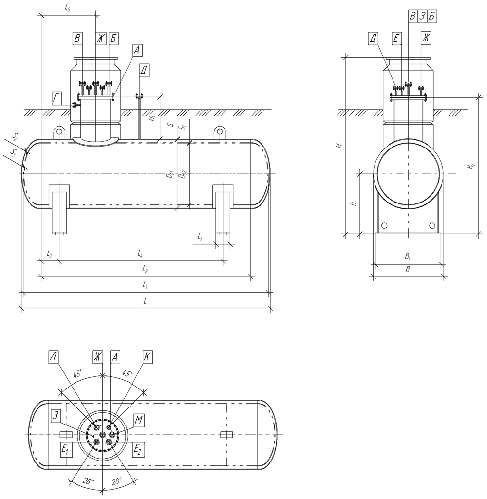
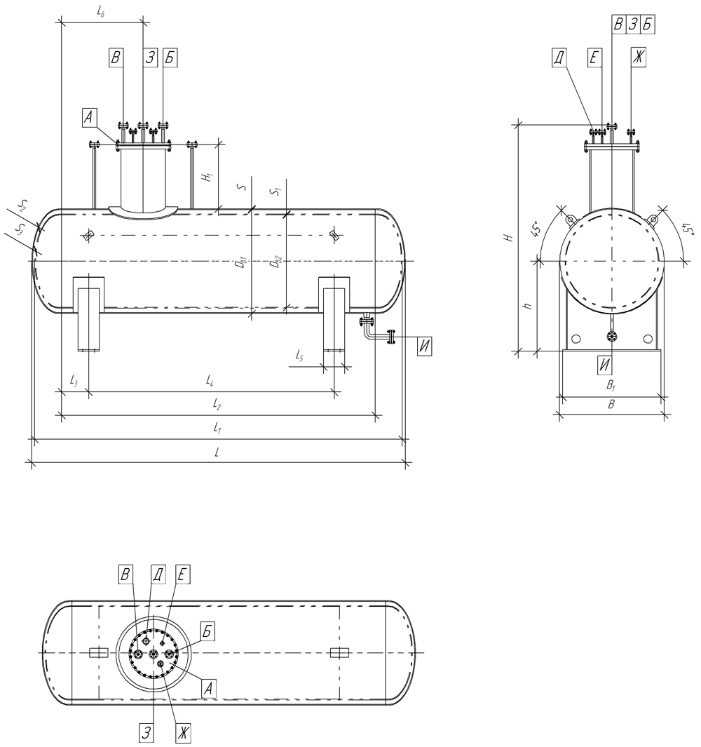
Типовые чертежи:
ТЕХНИЧЕСКИЕ ХАРАКТЕРИСТИКИ
-
Основные параметры резервуаров СУГ
Наименование параметра или характеристики Значение по типам или исполнениям СУГ1600-1,6-10-П1 СУГ1600-1,6-10-Н1 СУГ1600-1,6-20-П1 СУГ1600-1,6-20-Н1 СУГ1600-1,6-10-П2 СУГ1600-1,6-10-Н2 СУГ1600-1,6-20-П2 СУГ1600-1,6-20-Н2 Среда рабочая Газы углеводородные сжиженные по ГОСТ Р 52087-2003 Давление, МПа (кгс/см²): — рабочее, не более 1,6 (16) — расчетное, не более 1,8 (18) — пробное 2,4 (24) Давление в межстенном пространстве, МПа (кгс/см²): — рабочее, не более — 0,05 (0,5) — расчетное, не более — 1,3 (13) — пробное — 1,65 (16,5) Температура рабочая, °С* От минус 40 до плюс 45 Вместимость: — номинальная 10 20 10 20 — действительная 10,2 20,4 10,2 20,4 — полезная (при коэффициенте заполнения 85%) 8,67 17,3 8,67 17,3 Габаритные размеры, мм, не более: — длина 4260 8260 4350 8350 — ширина 2010 2010 2210 2210 — высота 2900 2900 3300 2910 3300 2910 Внутренний диаметр, мм: — внутреннего сосуда 1600 1600 1600 1600 — наружного сосуда — — 2000 2000 Масса сосуда, кг, не более 3900 7300 7500 7350 13000 13000 Срок службы, лет 20 -
Таблица штуцеров резервуаров СУГ
Обозначение Назначение Размеры в зависимости от объёма аппарата А Для входа продукта 32–150 Б Для выхода продукта 32–150 В Для связи по газу 32–100 Г Для датчиков уровня по запросу Д Для дренажа 50 Е Для манометра М20х1,5 Л Для поверки датчиков по запросу И Люк 600–800 К Для предохранительного клапана 50–150 -
Габариты резервуаров СУГ
Обозначение аппаратов Габаритные размеры, мм Обозначение аппаратов Габаритные размеры, мм Обозначение аппаратов Габаритные размеры, мм Обозначение аппаратов Габаритные размеры, мм Резервуары наземные, одностенные Резервуары наземные, двустенные Резервуары подземные, одностенные Резервуары подземные, двустенные СУГ1600-1,6-10-Н1 5400х2040х1690 СУГ1600-1,6-10-Н2 5600х2200х1800 СУГ1400-1,0-5-П1 3460х2500х1416 СУГ1600‑1,6‑10‑П2 5500х2400х1716 СУГ1600-1,6-12-Н1 6300х2040х1690 СУГ1600-1,6-12-Н2 6500х2200х1800 СУГ1600-1,6-5-П1 2800х2650х1616 СУГ1600‑1,6‑12‑П2 6300х2400х1716 СУГ1600-1,6-14-Н1 7400х2040х1690 СУГ1600-1,6-20-Н2 10600х2200х1800 СУГ1200-1,6-5-П1 4800х2250х1216 СУГ1600‑1,6‑16‑П2 8500х2400х1716 СУГ1600-1,6-16-Н1 8400х2040х1690 СУГ1400-1,6-5-П1 3460х2400х1420 СУГ1600‑1,6‑18‑П2 9500х2400х1716 СУГ1600-1,6-18-Н1 9400х2040х1690 СУГ1600-1,6-5-П1 3460х2340х1420 СУГ1600‑1,6‑20‑П2 10350х2400х1716 СУГ1600-1,6-20-Н1 8105х2040-1690 СУГ1600-1,6-8-П1 4300х2860х1620 СУГ2000‑1,6‑25‑П2 8700х2646х2080 СУГ2000-1,6-25-Н1 10400х2750х2024 СУГ1600-1,6-10-П1 5400х2470х1620 СУГ2000-1,6-30-Н1 9915х2320х2024 СУГ1600-1,6-12-П1 6150х2470х1620 СУГ2400-1,6-50-Н1 11445х3100х2424 СУГ1600-1,6-14-П1 7300х2470х1620 СУГ3000‑1,6‑100‑Н1 14700х3600х3225 СУГ1600‑1,6‑16‑П1 8300х2470х1620 СУГ1600‑1,6‑18‑П1 9300х2470х1620 СУГ1600‑1,6‑20‑П1 8105х3050х2024 СУГ2000‑1,6‑25‑П1 10250х2470х1620 СУГ2000‑1,6‑30‑П1 9915х2320х2024 СУГ2400‑1,6‑50‑П1 11445х3100х2424 СУГ3000‑1,6‑100‑П1 14700х3600х3225 -
Габариты резервуаров СУГ
Обозначение Вес. кг Габаритные размеры для транспортировки Резервуары наземные односменные СУГ 1600-1.6-5-H1 1450 3000х2100х1690 СУГ 1600-1.6-8-H1 2420 4360х2100х1690 СУГ 1600-1.6-10-H1 2750 5400x2040x1690 СУГ 1600-1.6-12-H1 3100 6300x2040x1690 СУГ 1600-1.6-16-H1 3900 8400x2040x1690 СУГ 1600-1.6-18-H1 4350 9400x2040x1690 СУГ 1600-1.6-20-H1 4800 10400x2040x1690 СУГ 1600-1.6-25-H1 5620 8920х2320х2024 СУГ 1600-1.6-30-H1 6600 9915х2320х2024 СУГ 1600-1.6-36-H1 7200 8450х2650х2450 СУГ 1600-1.6-50-H1 9700 11445x3100x2424 СУГ 1600-1.6-100-H1 21000 14700x3050x4000 Резервуары подземные односменные СУГ 1400-1.0-5-П1 1470 3460x2340x1420 СУГ 1400-1.6-5-П1 1700 3460x2340x1420 СУГ 1600-1.6-10-П1 2800 5400x2470x1620 СУГ 1600-1.6-12-П1 3200 6150x2470x1620 СУГ 1600-1.6-16-П1 4050 8300x2470x1620 СУГ 1600-1.6-18-П1 4450 9300x2470x1620 СУГ 1600-1.6-20-П1 4900 10250x2470x16200 СУГ 2000-1.6-25-П1 5680 8105x3050x2024 СУГ 2400-1.6-50-П1 9700 11445x3100x2424 СУГ -60-П1 11650 СУГ 2400-1.6-100-П1 24000 14700x3050x4000 Резервуары двустенные подземные СУГ 1600-1.6-10-П2 5500 5500x2400x1716 СУГ 1600-1.6-12-П2 6000 6300x2400x1716 СУГ 1600-1.6-16-П2 7500 8500x2400x1716 СУГ 1600-1.6-18-П2 8200 9500x2400x1716 СУГ 1600-1.6-20-П2 9000 10350x2400x1716 СУГ 1600-1.6-25-П2 10200 8700x2646x2080 Резервуары двустенные наземные СУГ 1600-1.6-10-H2 5000 5600x2200x1800 СУГ 1600-1.6-12-H2 5850 6500x2200x1800 СУГ 1600-1.6-16-H2 7400 8500х2200х1800 СУГ 1600-1.6-20-H2 8800 10600x2200x1800




