Расширители продувки РП, РНП, РПП
От -60 до 40 °C
не более 9 баллов
ООО "НПО "Спецнефтемаш"
Типоразмеры в наличии:
Расширители непрерывной продувки и сепараторы — схожие по назначению и принципу работы, но различающиеся конструктивной сложностью аппараты. Конструктивные особенности устройства расширителей продувки котла, представляющих собой вертикальные цилиндрические сосуды с эллипсовидными днищами, подводящим и отводящими патрубками, прибором поплавкового типа для измерения и регулирования уровня, обуславливают предпосылки для завихрения потока, способствующего сепарации. Сепараторы, в отличие от расширителей продувки с их простым тангенциальным подводом, дополнительно оборудованы жалюзийными пакетами.
Каталог расширителей продувки РП, РНП, РПП
Для чего предназначен расширитель непрерывной продувки котла
В результате соединения продувочной воды котлов, влаги, сконденсированной в пароприемниках, содержимого дренажной системы паропроводов образуется пароводяная субстанция. Принцип работы и назначение расширителя РП заключаются в том, чтобы разделить субстанцию на жидкую и парообразную составляющие, которые затем используются повторно. Происходит рекуперация энергии, снижаются энергетические потери и повышается эффективность котельной установки.
Режимы продувки расширителей РП
Если сравнивать принципы работы расширителя периодической продувки и непрерывной, расширители согласно своему назначению способны работать в обоих режимах, и на это не оказывает никакого влияния ни модификация, ни конструктивная схема устройства. Если требуется контролировать солевой состав пара, который подлежит отведению, приходится задействовать сепараторы соответствующего типа продувки.
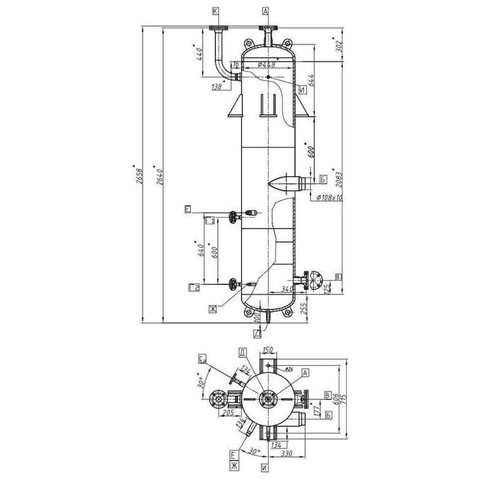
Конструкция расширителя продувки
Основой конструкции, определяющей принцип работы расширителя продувки РП, служит вертикальный стальной резервуар. Подача пароводяной смеси идет через патрубок круглого или овального сечения. После ее разделения начинается вывод пара и воды. Каждой из фракций предназначен свой штуцер.
В изготовлении корпуса используются разные марки стали: ст3сп5, конструкционная 09Г2С, антикоррозийная 12Х18Н10Т, и рассматривается применение других марок по запросу заказчика.
Принципиальная схема действия, обуславливающая принцип работы расширителя РП
Последовательность выполнения действий при пуске оборудования
Согласно алгоритму, разъясняющему, как включать (запускать) расширитель периодической продувки и непрерывной, расширитель запускают только после обслуживания, направленного на проверку работоспособности трубопроводов и всех компонентов, включая приборы измерения параметров и запорно-регулирующую арматуру.
- Корпус заполняют пароводяной смесью из продувочного вентиля котла. С этой целью этого плавно открывают соответствующую трубопроводную арматуру.
- Открывают задвижки дренажа и выпуска отделяемого пара.
- После заполнения входной канал перекрывают. С помощью инструментов автономного визуального наблюдения проводят мониторинг степени заполнения.
- Как только объем жидкости достигнет нужного значения, открывают вентиль, обеспечивающий слив, и регулируют клапан так, чтобы объем в нижней зоне резервуара оставался постоянным.
Запускать агрегат нужно, учитывая график соотношения температуры и давления. Если t1 равна t2 или меньше, давление пуска (Р2) должно равняться рабочему давлению (Р1). Нужно придерживаться скорости повышения и понижения температуры в котле в пределах 30 °C в час. Узел будет считаться запущенным в нормальную эксплуатацию, если гидравлические параметры соответствуют спецификациям устройства.
- t1 — предельно низкий температурный режим, когда сталь и сварные швы деталей из нее способны выдерживать заданный гидростатический напор.
- t2 — самый низкий показатель температуры окружающей среды.
- Рраб. — рабочий напор.
- Р2 — значение получают умножением Рраб на коэффициент 0,35. Если Рраб установлено в интервале 0,98 –2,9 кгс/мм2, Р2 не может превышать 0,98 кгс/мм2, если Р2 меньше 0,98 кгс/мм2, оно равно Рраб.
Технические характеристики расширителей периодической продувки и непрерывной
| Обозначение расширителя РП | V, м3 | Ррасч, кгс/см2 | Ø корпуса, см | tраб, °C | Вес, т |
| 0,12-0,35 | 0,12 | 5,0 | 37,7 | 150 | 0,4 |
| 0,18-0,45 | 0,18 | 11,4 | 45 | 180 | 0,15 |
| 0,4-0,44 | 0,4 | 7,0 | 45 | 165 | 0,555 |
| 0,5-0,7 | 0,5 | 6,0 | 72 | 120 | 0,62 |
| 0,6-0,6 | 0,6 | 6,0 | 63 | 135 | 0,385 |
| 1,4-0,7 | 1,4 | 6,0 | 72 | 165 | 1,14 |
| 1,77-0,8 | 1,77 | 5,0 | 80 | 105 | 1,2 |
| 2,6-1,0 | 2,6 | 3, | 100 | 105 | 1,65 |
| 4,0-1,3 | 4 | 12,0 | 130 | 125 | 3,4 |
| 4,84-1,2 | 4,84 | 21,0 | 120 | 200 | 2,05 |
| 5,0-1,4 | 5 | 8,0 | 140 | 130 | 1,65 |
| 7,5-2,0 (Р-2000) | 7,5 | 2,0 | 200 | 130 | 2,7 |
| 7,68-1,6 | 7,68 | 5,0 | 160 | 105 | 3,6 |
| 8,1-1,8 | 8,1 | 8,0 | 180 | 130 | 2,9 |
| 10,5-1,8 | 10,5 | 2,3 | 180 | 125 | 5,115 |
| 22-2,6 | 22 | 3,0 | 260 | 100 | 11,3 |
Технические условия по эксплуатации
Использование для периодической продувки расширителя, непрерывная продувка котла тоже рассматривается, регламентируется нормативными документами по безопасности энергетических объектов, включая положения по надзору за емкостями под избыточным гидростатическим напором, требования по эксплуатации теплосиловых устройств и противопожарные меры на производственных площадках, и отраслевыми инструкциями для тепловых электростанций и котельных.
Срок службы и гарантийные обязательства
Продолжительность службы изделия (ресурс) — 20 лет. На условиях гарантии ответственность производителя за работоспособность действует два года после начала использования, но ограничена тремя годами с даты поставки заказчику, если не нарушались требования по перевозке, складированию, установке, своевременному обслуживанию и применению по назначению.
Техническое обслуживание
Агрегат требует постоянного мониторинга, поэтому необходимо:
- проводить периодическую проверку, как минимум трижды за рабочую смену;
- следить за показателями манометра;
- контролировать объем жидкости, наблюдая за стеклом водоуказателя.
Индикаторы уровня требуют регулярной прочистки. Плановые и внеплановые ревизии аппарата проводятся с целью предотвращения неисправностей и диагностики их причин. При выводе агрегата из эксплуатации на плановый ремонт внутренний осмотр и очистка резервуара рекомендуются не менее раза за двух-трехлетний период. Контрольные испытания проводятся после монтажа, перед запуском, регулярно во время эксплуатации и при необходимости. Длительный простой или негерметичность запорных устройств требуют заглушить аппарат. При обслуживании фланцевых соединений, направленном на контроль затяжки крепежа, следует соблюдать меры предосторожности во избежание термических травм от горячей среды.
Приобрести расширители продувки РП, РНП, РПП в ООО "НПО "Спецнефтемаш"
Для приобретения оборудования напрямую от производителя можно:
- воспользоваться контактной формой на сайте;
- заказать обратный звонок;
- обратиться к специалисту отдела сбыта по номеру 8 (800)-3021-565, чтобы уточнить стоимость различных модификаций и варианты отгрузки.
По запросу клиента, планирующего купить оборудование, предприятие предоставит документацию, подтверждающую качество применяемых комплектующих. При необходимости организация обеспечит доставку по территории Российской Федерации и сопредельных государств, входящих в СНГ.


